Ongelegeerd constructiestaal
Kwaliteit: S355JO/S355J2 (St 52-3)
De kwaliteiten S355 bieden ten opzichte van het in staalconstructies nog veel gebruikte
S235JR het voordeel van de betere weerstand tegen brosse breuk (betere kerfslagwaarde) en
de hogere rekgrens, waardoor lichter geconstrueerd kan worden.
Bij het lassen kan het onder ongunstige omstandigheden zoals grote materiaaldikte
(> ca. 20 mm), starre constructies en dergelijke, noodzakelijk zijn om maatregelen te nemen
om koudscheuren te voorkomen.
Lasbaar met alle gangbare lasmethoden
spanningsarm gloeien
580 – 620 °C
900 – 920 °C
Ongelegeerd constructiestaal S355JO/J2
Rond, warmgewalst
- Kwaliteit
- volgens EN 10025-2
- Toleranties
- volgens EN 10060, vanaf rond 210 mm
volgens fabrieksspecificatie - Materiaalnummer
- 1.0553/1.0577
- In handelslengten van ca. 6 – 6,2 meter, grote diameters ca. 4-6 meter.

Technische gegevens





Gebruikelijke voorraadsafmetingen. Andere afmetingen en/of kwaliteiten op aanvraag.
Ongelegeerd constructiestaal S355JO/J2+N
Rond, gesmeed
- Kwaliteit
- volgens EN 10025-2
- Toleranties
- volgens DIN 7527-6
- Materiaalnummer
- 1.0553/1.0577
- In handelslengten van ca. 4 – 6 meter.
- Op maat gezaagd, tolerantie ± 2 mm.
Technische gegevens





Gebruikelijke voorraadsafmetingen. Andere afmetingen en/of kwaliteiten op aanvraag.
Ongelegeerd constructiestaal S355JO/J2
Vierkant, warmgewalst
- Kwaliteit
- volgens EN 10025-2
- Toleranties
- volgens EN 10059
- Materiaalnummer
- 1.0553/1.0577
- In handelslengten van ca. 6 – 6,2 meter.
Technische gegevens





Gebruikelijke voorraadsafmetingen. Andere afmetingen en/of kwaliteiten op aanvraag.
Ongelegeerd constructiestaal S355JO/J2
Plat, warmgewalst
- Kwaliteit
- volgens EN 10025-2
- Toleranties
- volgens EN 10058
- Materiaalnummer
- 1.0553/1.0577
- In handelslengten van ca. 6 – 6,2 meter
Technische gegevens





Gebruikelijke voorraadsafmetingen. Andere afmetingen en/of kwaliteiten op aanvraag.
Ongelegeerd constructiestaal S355JO/J2
Breed plat (stripstaal), warmgewalst
- Kwaliteit
- volgens EN 10025-2
- Toleranties
- volgens DIN 59200
- Materiaalnummer
- 1.0553/1.0577
- In handelslengten van ca. 6 – 6,2 meter
Technische gegevens





Gebruikelijke voorraadsafmetingen. Andere afmetingen en/of kwaliteiten op aanvraag.
Ongelegeerd constructiestaal S355JO/J2
Kraanrailprofiel, warmgewalst
- Kwaliteit
- volgens EN 10025-2
- Toleranties
- volgens EN 10058
- Materiaalnummer
- 1.0553/1.0577
- In handelslengten van 6 – 6,2 en 12 – 12,2 meter.
Technische gegevens





Gebruikelijke voorraadsafmetingen. Andere afmetingen en/of kwaliteiten op aanvraag.
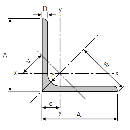
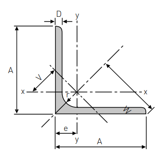
Ongelegeerd constructiestaal S355JO/J2
Gelijkzijdige hoekprofielen, warmgewalst
- Kwaliteit
- volgens EN 10025-2
- Toleranties
- volgens EN 10056
- Materiaalnummer
- 1.0553/1.0577
- In handelslengten van ca. 6 – 6,2 meter.
Technische gegevens





Gebruikelijke voorraadsafmetingen. Andere afmetingen en/of kwaliteiten op aanvraag.
Ongelegeerd constructiestaal S355JO/J2
Plat, warmgewalst, extra gericht (trailerflats)
- Kwaliteit
- volgens EN 10025-2
- Toleranties
- volgens EN 10058
- Materiaalnummer
- 1.0553 / 1.0577
- In handelslengten van ca. 9,5 – 9,7 meter en 13,6 – 13,8 meter.
- Geschikt voor trailerbouw.
- Rechtheid volgens halve EN 10058.
Technische gegevens





Gebruikelijke voorraadsafmetingen. Andere afmetingen en/of kwaliteiten op aanvraag.
Ongelegeerd constructiestaal S355JO
IPE A balken, warmgewalst
- Kwaliteit
- volgens EN 10025-2
- Toleranties
- volgens fabrieksspecificatie
- Materiaalnummer
- 1.0553
- Ook leverbaar in de kwaliteiten S235JR en S355J2.
- Leverbaar uit walsing.
- Lengte in overleg, tolerantie -0/+200 mm.
Technische gegevens





Andere afmetingen en/of kwaliteiten op aanvraag.
Ongelegeerd constructiestaal S355JO
IPE AA balken, warmgewalst
- Kwaliteit
- volgens EN 10025-2
- Toleranties
- volgens fabrieksspecificatie
- Materiaalnummer
- 1.0553
- Ook leverbaar in de kwaliteiten S235JR en S355J2.
- Leverbaar uit walsing.
- Lengte in overleg, tolerantie -0/+200 mm.
Technische gegevens





Andere afmetingen en/of kwaliteiten op aanvraag.
Ongelegeerd constructiestaal S420N
Hefmastprofiel, warmgewalst
- Kwaliteit
- volgens EN 10025-3
- Toleranties
- volgens fabrieksspecificaties
- Materiaalnummer
- 1.8902
- Toelaatbare vlaktedruk: maximaal 920 N/mm2.
Opmerking: tolerantie op maten (b), b1 en h1: ± 0,5 tolerantie op maat h: ± 0,8
Gebruikelijke voorraadsafmetingen. Andere afmetingen en/of kwaliteiten op aanvraag.
Lichtgewicht balken
- Kwaliteit
- volgens fabrieksspecificaties, zie onderstaande tabellen.
- Toleranties
- volgens fabrieksspecificaties.
- Materiaalnummer
- n.v.t.
- Voor toepassingen waar gewichtsbesparing van belang is, heeft MCB enkele speciale SLB’s (Super Light Beams) op voorraad. Deze profielen komen qua vorm overeen met IPE profielen, maar door het gebruik van een betere staalkwaliteit, hebben SLB profielen een gunstigere sterkte/gewicht verhouding.
- In handelslengten van ca. 5100 en/of 5200 mm.
- Andere lengten af fabriek.


Kwaliteit S235JR (St 37-2)
Ongelegeerd constructiestaal S235JR
Rond, warmgewalst
- Kwaliteit
- volgens EN 10025-2
- Toleranties
- volgens EN 10060
- Materiaalnummer
- 1.0038
- In handelslengten van 6 – 6,2 meter.
- Overzicht vergelijking assortiment op pagina 178
Technische gegevens



Gebruikelijke voorraadsafmetingen. Andere afmetingen en/of kwaliteiten op aanvraag
Ongelegeerd constructiestaal S235JR
Vierkant, warmgewalst
- Kwaliteit
- volgens EN 10025-2
- Toleranties
- volgens EN 10059
- Materiaalnummer
- 1.0038
- In handelslengten van ca. 6 – 6,2 meter
Technische gegevens


Gebruikelijke voorraadsafmetingen. Andere afmetingen en/of kwaliteiten op aanvraag.
Ongelegeerd constructiestaal S235JR
Plat, warmgewalst
- Kwaliteit
- volgens EN 10025-2
- Toleranties
- volgens EN 10058
- Materiaalnummer
- 1.0038
- In handelslengten van ca. 6 – 6,2 meter
Technische gegevens


Gebruikelijke voorraadsafmetingen. Andere afmetingen en/of kwaliteiten op aanvraag.
Ongelegeerd constructiestaal S235JR
Breed plat (stripstaal), warmgewalst
- Kwaliteit
- volgens EN 10025-2
- Toleranties
- volgens DIN 59200
- Materiaalnummer
- 1.0038
- In handelslengten van ca. 6 – 6,2 meter.
Technische gegevens




Gebruikelijke voorraadsafmetingen. Andere afmetingen en/of kwaliteiten op aanvraag.
Ongelegeerd constructiestaal S235JR
Gelijkzijdige hoekprofielen, warmgewalst
- Kwaliteit
- volgens EN 10025-2
- Toleranties scherpkantig hoekprofiel
- volgens DIN 1022
- Toleranties rondkantig hoekprofiel
- volgens EN 10056
- Materiaalnummer
- 1.0038
- In handelslengten van ca. 6 – 6,2 en/of 12 – 12,2 meter
Technische gegevens





Gebruikelijke voorraadsafmetingen. Andere afmetingen en/of kwaliteiten op aanvraag.
Ongelegeerd constructiestaal S235JR
Ongelijkzijdige hoekprofielen, warmgewalst
- Kwaliteit
- volgens EN 10025-2
- Toleranties
- volgens EN 10056
- Materiaalnummer
- 1.0038
- In handelslengten van ca. 6 – 6,2 en/of 12 – 12,2 meter.


Technische gegevens





Ongelegeerd constructiestaal S235JR
Vloerafdekhoekstaal, warmgewalst
- Kwaliteit
- volgens EN 10025-2
- Tolerantie
- volgens fabrieksspecificaties
- Materiaalnummer
- 1.0038
- In handelslengten van ca. 6 – 6,2 meter.
Technische gegevens





Gebruikelijke voorraadsafmetingen. Andere afmetingen en/of kwaliteiten op aanvraag.
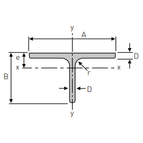
Ongelegeerd constructiestaal S235JR
Gelijkzijdige T-profielen, warmgewalst
- Kwaliteit
- volgens EN 10025-2
- Toleranties
- volgens EN 10055
- Materiaalnummer
- 1.0038
- In handelslengten van ca. 6 – 6,2 meter

Technische gegevens





Gebruikelijke voorraadsafmetingen. Andere afmetingen en/of kwaliteiten op aanvraag.
Ongelegeerd constructiestaal S235JR
Ongelijkzijdige T-profielen, warmgewalst
- Kwaliteit
- volgens EN 10025-2
- Toleranties
- volgens EN 10055
- Materiaalnummer
- 1.0038
- In handelslengten van ca. 6 – 6,2 meter.
Technische gegevens





Gebruikelijke voorraadsafmetingen. Andere afmetingen en/of kwaliteiten op aanvraag.
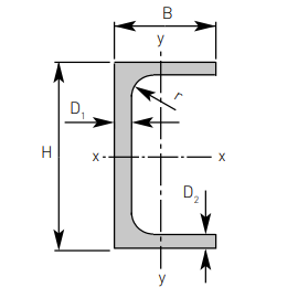
Ongelegeerd constructiestaal S235JR
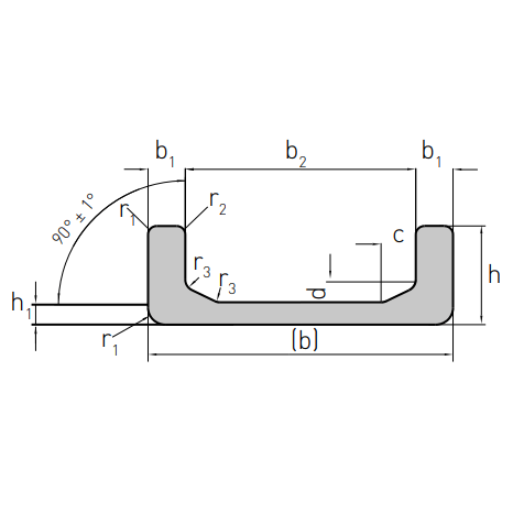
Scherpkantige U-profielen, warmgewalst
- Kwaliteit
- volgens EN 10025-2
- Toleranties
- volgens fabrieksspecificaties
- Materiaalnummer
- 1.0038
- In handelslengten van ca. 6 – 6,2 meter
Technische gegevens





Gebruikelijke voorraadsafmetingen. Andere afmetingen en/of kwaliteiten op aanvraag.
Ongelegeerd constructiestaal S235JR
Klein U-profielen, warmgewalst
- Kwaliteit
- volgens EN 10025-2
- Toleranties
- volgens EN 10279
- Materiaalnummer
- 1.0038
- In handelslengten van ca. 6 – 6,2 meter.
Technische gegevens





Gebruikelijke voorraadsafmetingen. Andere afmetingen en/of kwaliteiten op aanvraag.
Ongelegeerd constructiestaal S235JR
Halfrond en plathalfrond, warmgewalst
- Kwaliteit
- volgens EN 10025-2
- Toleranties
- volgens DIN 1018
- Materiaalnummer
- 1.0038
- In handelslengten van ca. 6 – 6,2 meter.
Technische gegevens





Gebruikelijke voorraadsafmetingen. Andere afmetingen en/of kwaliteiten op aanvraag.
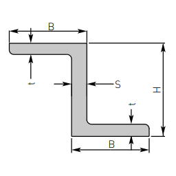
Ongelegeerd constructiestaal S235JR
Z-profiel, warmgewalst
- Kwaliteit
- volgens EN 10025-2
- Toleranties
- volgens DIN 1027
- Materiaalnummer
- 1.0038
- In handelslengten van ca. 6 – 6,2 meter.
Technische gegevens





1) ook leverbaar in lengten van ca.12 – 12,2 meter.
Gebruikelijke voorraadsafmetingen. Andere afmetingen en/of kwaliteiten op aanvraag.
Ongelegeerd constructiestaal S235JR
UNP balken, warmgewalst
- Kwaliteit
- volgens EN 10025-2
- Toleranties
- volgens EN 10279
- Materiaalnummer
- 1.0038
- In handelslengten van ca. 6 – 6,2 en 12 – 12,2 meter.
- Op maat gezaagd, tolerantie ± 2 mm.
- Ook leverbaar in de kwaliteit S355J2
Technische gegevens





Gebruikelijke voorraadsafmetingen. Andere afmetingen en/of kwaliteiten op aanvraag.
Ongelegeerd constructiestaal S235JR
UPE balken, warmgewalst
- Kwaliteit
- volgens EN 10025-2
- Toleranties
- volgens EN 10279
- Materiaalnummer
- 1.0038
- In handelslengten van ca. 6 – 6,2 en 12 – 12,2 meter.
- Op maat gezaagd, tolerantie ± 2 mm.
- Ook leverbaar in de kwaliteit S355J2.
Technische gegevens





Gebruikelijke voorraadsafmetingen. Andere afmetingen en/of kwaliteiten op aanvraag.
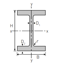
Ongelegeerd constructiestaal S235JR
IPE balken, warmgewalst
- Kwaliteit
- volgens EN 10025-2
- Toleranties
- volgens EN 10034
- Materiaalnummer
- 1.0038
- In handelsengten van ca. 6 – 6,2 en 12 – 12,2 meter.
- Op maat gezaagd, tolerantie ± 2 mm.
- Ook leverbaar in de kwaliteit S355J2
Technische gegevens





Gebruikelijke voorraadsafmetingen. Andere afmetingen en/of kwaliteiten op aanvraag.
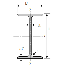
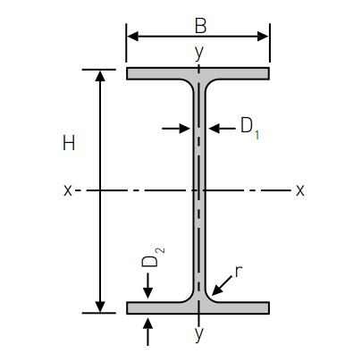
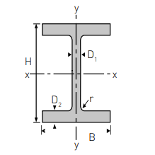
Ongelegeerd constructiestaal S235JR
HE-A balken, warmgewalst
- Kwaliteit
- volgens EN 10025-2
- Toleranties
- volgens EN 10034
- Materiaalnummer
- 1.0038
- In handelslengten van ca. 6 – 6,2 en 12 -12,2 meter.
- Op maat gezaagd, tolerantie ± 2 mm.
- Ook leverbaar in de kwaliteit S355J2.
Technische gegevens





Gebruikelijke voorraadsafmetingen. Andere afmetingen en/of kwaliteiten op aanvraag.
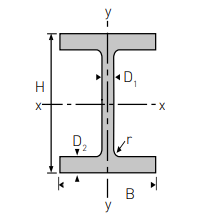
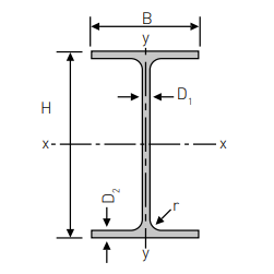
Ongelegeerd constructiestaal S235JR
HE-B breedflensbalken, warmgewalst
- Kwaliteit
- volgens EN 10025-2
- Toleranties
- volgens EN 10034
- Materiaalnummer
- 1.0038
- In handelslengten van ca. 6 – 6,2 en 12 – 12,2 meter.
- Op maat gezaagd, tolerantie ± 2 mm.
- Ook leverbaar in de kwaliteit S355J2
Technische gegevens





Gebruikelijke voorraadsafmetingen. Andere afmetingen en/of kwaliteiten op aanvraag.
Ongelegeerd constructiestaal S235JR
HE-M balken, warmgewalst
- Kwaliteit
- volgens EN 10025-2
- Toleranties
- volgens EN 10034
- Materiaalnummer
- 1.0038
- In handelslengten van ca. 6 – 6,2 en 12 -12,2 meter.
- Op maat gezaagd, tolerantie ± 2 mm.
- Ook leverbaar in de kwaliteit S355J2.
Technische gegevens





Gebruikelijke voorraadsafmetinge. Andere afmetingen en/of kwaliteiten op aanvraag.
Ongelegeerd constructiestaal S235JR
HE-M balken, warmgewalst
- Kwaliteit
- volgens EN 10025-2
- Toleranties
- volgens EN 10034
- Materiaalnummer
- 1.0038
- In handelslengten van ca. 6 – 6,2 en 12 -12,2 meter.
- Op maat gezaagd, tolerantie ± 2 mm.
- Ook leverbaar in de kwaliteit S355J2.
Technische gegevens





Gebruikelijke voorraadsafmetinge. Andere afmetingen en/of kwaliteiten op aanvraag.