Koudgewalste specials
Koudgewalste specials
Naast de gebruikelijke voorraadsafmetingen, -vormen, -kwaliteiten en -lengtematen kan MCB
uit walsing ook specials aanbieden. De mogelijkheden hiervoor zijn nagenoeg onbegrensd,
te denken aan:
- Afwijkende toleranties
- Geperforeerd
- Op maat gezaagd/geborsteld
- Speciale kwaliteiten voormateriaal zoals
- sendzimir verzinkt bandstaal
- gebeitst bandstaal
- gelakt bandstaal in RAL-kleuren
- roestvast bandstaal
- aluminium
- hogere sterktestalen
- Klantspecifieke profielvormen
- Samengestelde profielen
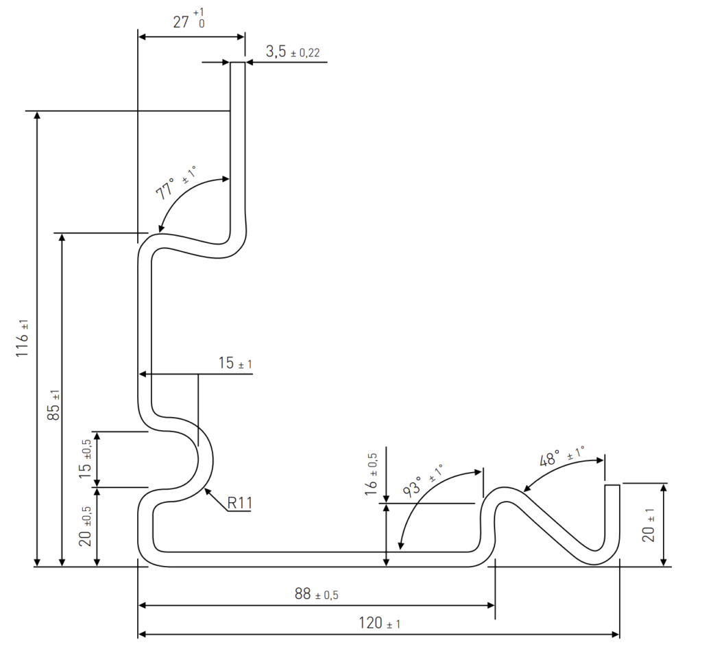
Voorbeeld special:

Met de leveringsmogelijkheden van specials biedt MCB de klant vele voordelen zoals:
- Gewichtsbesparing
- Minder of geen nabewerkingen
- Klantspecifieke voorraad houden
- MCB als actieve, meedenkende leverancier
Door een extra omvorming ontstaat een hogere stijfheid waardoor lichter geconstrueerd kan
worden (gewichtsbesparing).
Voorbeeld gewichtsbesparing door extra omvorming bij gelijkblijvende stijfheid:

Voorbeeld van minder of geen nabewerkingen:
Aanvankelijke nabewerkingen door klant:
- Profiel zetten uit plaatstaal
- Perforeren
- Lassen
- Verzinken
- In samenwerking met onze producent zijn deze nabewerkingen vervangen door een
klantspecifiek profiel uit verzinkt bandstaal, geperforeerd en op maat gewalst.

Voorbeeld van samengestelde profielen in combinatie met minder of geen nabewerkingen:
Aanvankelijke nabewerkingen door klant:
- Perforeren
- Schroeven
- Lassen
- Bevestigen op moeilijk bereikbare plaatsen
- In samenwerking met onze producent zijn deze nabewerkingen vervangen door samengestelde
profielen uit verzinkt bandstaal, op maat gezaagd, geperforeerd en vastgeklonken tot
verlengprofiel.
