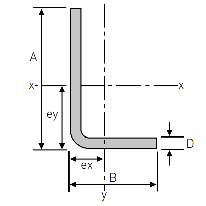
Koudgewalste ongelijkzijdige hoekprofielen S235JR

Koudgewalste ongelijkzijdige hoekprofielen S235JR

Koudgewalste ongelijkzijdige hoekprofielen S235JR

Kwaliteit
volgens EN 10025-2
Toleranties
volgens EN 10162
Materiaalnummer
1.0038
  • In handelslengten van ca. 7 meter.
Op deze pagina Algemene informatie Koudgewalste ongelijkzijdige hoekprofielen S235JR

Bestel het MCB Boek

Stel een vraag

Download het PDF boek per e-mail

Duis rhoncus dui venenatis consequat porttitor. Etiam aliquet congue consequat. In posuere, nunc sit amet laoreet blandit, urna sapien imperdiet lectus, et molestie sem tortor quis dui.

"*" geeft vereiste velden aan